電路端接電阻方式,端接電阻的作用介紹
阻抗匹配作為保障信號完整性的核心技術之一,而電阻端接則是實現阻抗匹配的關鍵手段。本文深入探討常見的電阻端接方式,剖析其原理、優缺點及適用場景,為電子工程師在實際電路設計中提供技術參考。
阻抗匹配作為保障信號完整性的核心技術之一,而電阻端接則是實現阻抗匹配的關鍵手段。本文深入探討常見的電阻端接方式,剖析其原理、優缺點及適用場景,為電子工程師在實際電路設計中提供技術參考。
一、串聯端接:簡便高效的信號傳輸優化方案
串聯端接是一種簡單而直接的阻抗匹配方法,其核心思想是在發送端輸出端串聯一個電阻,使得輸出阻抗與電阻的總值等于傳輸線的特征阻抗。通過這種方式,能夠實現阻抗匹配,有效減少信號反射,提升信號傳輸質量。然而,這種方式也存在一定的局限性。在高速電路中,串聯電阻會影響信號的上升時間,可能導致信號失真等問題。此外,由于電阻的分壓作用,發送端的輸出幅度會有所降低,這在對信號幅度要求較高的應用場景中需要特別關注。
為了充分發揮串聯端接的優勢,建議將電阻盡量靠近發送端放置,以確保阻抗匹配效果。這種端接方式適用于對信號幅度要求相對不高、信號傳輸速率中等的電路場景,如一些低速的通信接口電路、簡單的數字信號傳輸線路等。


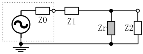
二、并聯端接:接收端阻抗優化的實用策略
當接收端的輸入阻抗較大時,并聯端接成為一種有效的阻抗匹配解決方案。具體做法是在接收端并聯一個電阻到地或電源,使得接收端的等效阻抗等于傳輸線的特征阻抗。這種端接方式簡單易行,能夠快速實現阻抗匹配,提升信號接收質量。


然而,并聯端接的缺點是會消耗一定的直流功率,這在對功耗敏感的設備中需要謹慎考慮。同時,在上拉或下拉的情況下,雖然能夠分別提高驅動能力和對電流的吸收能力,但也會對電路的直流功耗產生影響。并聯端接適用于接收端輸入阻抗較高、對功耗要求相對不嚴苛的電路場景,如一些中低速的數字信號接收端口、簡單的控制信號傳輸線路等。


三、戴維寧端接:總線應用中的均衡之選
戴維寧端接是一種結合了上拉電阻和下拉電阻的端接方式,通過合理配置電阻參數,形成一個等效阻抗等于傳輸線特征阻抗的端接電路。其顯著優點在于上拉和下拉電阻能夠共同有效吸收反射信號,提升信號傳輸的穩定性。此外,在電路無信號時,還能為電路提供直流電平,這對于總線應用中的信號初始化和狀態保持具有重要意義。
然而,由于電阻的存在,戴維寧端接方式的直流功耗相對較大,這在一定程度上限制了其在功耗敏感型設備中的應用。盡管如此,在對信號完整性和可靠性要求較高、且對功耗要求相對寬松的總線應用中,如工業控制總線、汽車電子總線等,戴維寧端接仍然是一個理想的選擇。
四、RC 網絡端接:并聯端接的升級優化方案
RC 網絡端接在并聯端接的基礎上進行了改進,通過在并聯到地的電阻下方增加一個電容,實現了直流隔離,有效減小了直流功耗。同時,RC 網絡仍然能夠保持與并聯端接相似的反射減小效果,保障信號傳輸質量。然而,RC 網絡的時間常數會對信號的上升時間產生影響,這在高速電路中需要特別注意。
在高速電路中使用 RC 網絡端接時,必須通過精確計算,合理選擇電阻和電容的參數,以確保信號的上升時間滿足系統要求。RC 網絡端接適用于對信號完整性要求較高、同時對功耗有一定限制的高速電路場景,如高速通信接口、高頻信號傳輸線路等。
五、端接電阻的作用與 PCB 設計要點
在電路設計中,阻抗不連續是導致信號反射、上沖下沖、振鈴等信號失真問題的主要原因,嚴重影響信號質量。因此,阻抗匹配成為電路設計中至關重要的考慮因素。對 PCB 走線進行阻抗控制是硬件工程師的基本技能之一,但僅僅關注走線阻抗是遠遠不夠的。實際電路由發送端、連線和接收端共同組成,要實現整個鏈路的阻抗一致性,端接技術的應用就顯得尤為重要。
在 PCB 設計過程中,除了對走線進行精細的阻抗控制外,還需要綜合考慮發送端和接收端的阻抗特性,通過合理選擇端接方式進行阻抗匹配。這不僅能有效減少信號反射,提升信號完整性,還能降低系統功耗,提高電路的可靠性和穩定性。
六、總結
電阻端接技術作為實現電路阻抗匹配的關鍵手段,在現代電子電路設計中發揮著重要作用。串聯端接、并聯端接、戴維寧端接和 RC 網絡端接等常見的端接方式各有優缺點,適用于不同的應用場景。電子工程師在實際設計中,應根據電路的具體需求,如信號傳輸速率、功耗要求、接收端輸入阻抗等,合理選擇端接方式,并進行精細化的參數配置,以實現最佳的信號完整性、功耗控制和系統可靠性。
〈烜芯微/XXW〉專業制造二極管,三極管,MOS管,橋堆等,20年,工廠直銷省20%,上萬家電路電器生產企業選用,專業的工程師幫您穩定好每一批產品,如果您有遇到什么需要幫助解決的,可以直接聯系下方的聯系號碼或加QQ/微信,由我們的銷售經理給您精準的報價以及產品介紹
〈烜芯微/XXW〉專業制造二極管,三極管,MOS管,橋堆等,20年,工廠直銷省20%,上萬家電路電器生產企業選用,專業的工程師幫您穩定好每一批產品,如果您有遇到什么需要幫助解決的,可以直接聯系下方的聯系號碼或加QQ/微信,由我們的銷售經理給您精準的報價以及產品介紹
聯系號碼:18923864027(同微信)
QQ:709211280

