
傳真:
18923864027
QQ:
709211280
地址:
深圳市福田區振中路84號愛華科研樓7層
集電極開路和漏極輸出電路原理介紹集電極開路和漏極輸出它們的定義如下:集電極開路:簡稱OC(Open Collector)漏極輸出:簡稱OD(Open Drai
場效應管組成的推挽電路和工作原理解析1、P-MOS 管和 N-MOS管組成的推挽電路推挽電路是由兩個三極管或MOSFET,以推挽方式存在于電路中,
負載短路快速保護電路的原理圖文介紹遇到負載短路或者過流的情況,一般為了節約成本,就給這個電路裝一個保險絲來保護電路,不過保險絲的熔
基于TIP31C三極管晶體管的應用電路介紹TIP31C 應用電路1、達林頓 TIP31C NPN 晶體管驅動直流電機一般來說,電位器不能直接控制直流電機
三極管與MOS管結合的開關控制電路介紹分享一種典型的三極管和MOS管結合的開關控制電路,關于三極管和MOS管的基礎使用方法可以參見下文說明
基于三極管應用的電流鏡像電路解析電路中常用的三極管應用--電流鏡。 和電流鏡像有關的電路。三極管基極電流Ib和集電極電流Ic,滿足以下關
三極管怎么做電子開關的原理解析三極管是一種電流放大器件,一般是用來放大電流或者作為電子開關使用,這里主要以電子開關這種用法進行說明
電機怎么正反轉控制電路的原理解析直流電機正反轉控制電路的工作原理直流電機的正反轉控制可以通過改變電機的電流方向來實現。常用的正反轉
MOS晶體管漏電流的原因解析漏電流會導致功耗,尤其是在較低閾值電壓下。了解MOS晶體管中可以找到的六種泄漏電流。在討論MOS晶體管時,短通
場效應管漏極與源極之間產生的浪涌解析換電路中,發生在漏極和源極之間的浪涌。漏極和源極之間產生的浪涌緩沖電路的種類和選擇C緩沖電路的
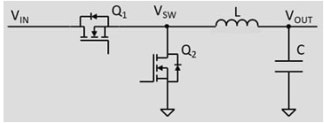
解析小型二極管怎么降低同步轉換器中的噪聲小型肖特基二極管如何幫助最小化噪聲,并了解這種技術何時以及如何提供幫助。圖1 傳統降壓穩壓器
電路分析,異步電路和同步電路的區別介紹什么是異步和同步電路?異步電路如果高MOSFET與低MOSFET同步,我們可以在一些應用中發現它們被稱為