PFC電路MOS管在應用過程中產生振蕩的機理,通過具體的案例分析了因MOS振蕩引起損壞的各種原因。


圖1 PFC電路原理圖
1 PFC電路工作原理
PFC(功率因數校正)主要是對輸入電流波形進行控制,使其同步輸入電壓波形。功率因數是指有功功率與視在功率的比值。功率因素可以衡量電力被有效利用的程度,當功率因素值越大,代表其電力利用率越高。 開關電源 是1種電容輸入型電路,其電流和電壓之間的相位差會造成交換功率的損失,因此需要PFC電路提高功率因數。目前的PFC有2種,被動式PFC(也稱無源PFC)和主動式PFC(也稱有源式PFC)。通常采用主動式PFC電路提高開關電源功率因數,如圖1所示。
在上述電路中,PFC電感L1在MOS管Q1導通時儲存能量,在開關管Q1截止時,電感L1上感應出右正左負的電壓,將導通時儲存的能量通過升壓二極管D2對大濾波電容C3充電,輸出能量,只不過其輸入的電壓是沒有經過濾波的脈動電壓。特別地,PFC電感L1上都并聯著1個二極管D1,該二極管D1一方面降低對PFC電感和升壓二極管的浪涌沖擊,另一方面保護PFC開關管。通過此電路,從而實現輸入電壓和電流波形的同相位,大大提高對電能的利用效率。


圖2 PFC MOS驅動波形
2 MOS管振蕩原理分析
一般地,為了改善PFC電路引起的電源EMI(電磁干擾),通常在PFC MOS管的D、S間并聯1個高壓電容,容值一般為(47~220)pF,在PFC升壓二極管D2上并聯1個高壓電容,一般取值為(47~100) pF。對普通的MOS管應用而言,在開關機及正常使用過程中,不會出現異常。但是當MOS管寄生參數發生變化時,且在快速開關機過程中,就會出現明顯的驅動波形振蕩(如圖2),嚴重時引起MOS管的損壞。
通過對PFC MOS管進行測試和深入分析發現,MOS管的寄生參數對振蕩起著關鍵作用。通過電路實驗模擬和仿真,證實了這一現象產生的根本原因。圖3為PFC MOS管的等效電路圖。


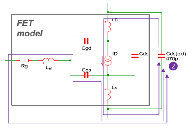
圖3 為PFC MOS管的等效電路圖
MOS管除了3個極之間的Cgd、Cds和Cgs寄生電容外,在G極、D極和S極分別串有寄生電感Lg、Ld和Ls,這些寄生電感主要由MOS管的引腳材質和引腳長度決定,它們是真實存在的。當為了改善電路的EMI時,通常在MOS管D、S間并聯高壓電容,在此為了模擬實驗,采用Cds(ext) 470 pF來說明,MOS管導通電阻為Rdson。在開機過程中,參與的回路說明如下:
1)PFC二極管D2的反向恢復電流通路為:D2經Ld和Rdson,再到Ls。
2)在米勒平臺期間,Cds、Cds(ext)及Cgd放電,放電能量儲存在Ld、Ls和Lg中,放電回路分別為:
①Cds通過Rdson放電,Ld、Ls和Lg不參與諧振;
②Cds(ext) 放電回路分別為:
Cds(ext)→Ld→Rdson→Ls→Cds(ext),和
Cds(ext)→Ld→Cgd→Cgs→Ls→Cds(ext),及
Cds(ext)→Ld→Cgd→Lg→PFC IC→Cds(ext)
從上述回路可以看出,放電能量分別儲存在Ld、Ls和Lg中。
③ Cgd放電回路為:
Cgd→Rdson→Cgs→Cgd,和
Cgd→Rdson→Ls→PFC IC→Lg→Cgd
從上述回路可以看出,放電能量分別儲存在Ls和Lg中。
由于上述寄生電容和寄生電感及外接電容Cds(ext)的通路存在,在PFC MOS管反復開關機過程中,引起驅動波形的振蕩,嚴重時,引起開關MOS的損壞。
通過仿真電路,也可模擬出類似的波形,其仿真結果如圖4。


圖4(a) PFC MOS仿真參數圖


圖4(b) PFC MOS仿真波形
3 MOS管振蕩問題解決措施及效果確認
針對PFC MOS在使用過程中振蕩引起的損壞問題,結合上述MOS管振蕩機理的分析,在實際使用中,采取的對策如下。
1)在PFC升壓二極管上盡量不增加電容,防止因該電容引起二極管反向恢復時間加大,從而引起MOS管振蕩加劇,造成損壞。
2)在PFC MOS管的漏極(D極)串聯磁珠,由于磁珠表現為高頻阻抗特性,用于抑制快速開關機時MOS引起的串聯諧振。
3)為了解決因PFC MOS引起的EMC問題,通常在PFC MOS管的漏-源極(D-S極)間并聯(47~220) pF的高壓電容,為了避免與MOS內部的寄生電感引起振蕩,盡量不增加此電容。若因EMC必需增加時,需與MOS管漏極磁珠同時使用。
具體原理圖如圖5所示。


圖5 改善后的PFC原理圖
從圖6實際測試波形可以看出,采用上述措施后,在快速開關機時,MOS管柵極波形消除了瞬態尖峰,從而保證MOS管快速開關機時的應力要求,避免因振蕩造成的損壞問題。


圖6(a) 改善前PFC驅動波形(綠色)


圖6(b) 改善后PFC驅動波形(綠色)
4 結語
本文針對MOS管寄生參數引起振蕩造成損壞問題,進行了理論分析和電路仿真模擬,得出了MOS管除了寄生電容外,還存在由于MOS引腳材質和長短引起的寄生電感,并通過實際的案例進行了驗證,證實了寄生電感的存在。通過增加切實有效的對策,避免了因寄生電容和寄生電感振蕩引起的PFC MOS損壞,具有極大的設計參考意義。
〈烜芯微/XXW〉專業制造二極管,三極管,MOS管,橋堆等,20年,工廠直銷省20%,上萬家電路電器生產企業選用,專業的工程師幫您穩定好每一批產品,如果您有遇到什么需要幫助解決的,可以直接聯系下方的聯系號碼或加QQ/微信,由我們的銷售經理給您精準的報價以及產品介紹
聯系號碼:18923864027(同微信)
QQ:709211280

