前置放大電路是指置于信源與放大器級之間的電路或電子設備,是專為接受來自信源的微弱電壓信號而設計的。
1.前置放大電路作用
前置放大電路在放大有用信號的同時也將噪聲放大,低噪聲前置放大器就是使電路的噪聲系數達到最小值的前置放大器。對于微弱信號檢測儀器或設備,前置放大器是引入噪聲的主要部件之一。
整個檢測系統的噪聲系數主要取決于前置放大器的噪聲系數。儀器可檢測的最小信號也主要取決于前置放大器的噪聲。
前置放大電路一般都是直接與檢測信號的傳感器相連接,只有在放大器的最佳源電阻等于信號源輸出電阻的情況下,才能使電路的噪聲系數最小。
1提高系統的信噪比(前放緊靠探測器,傳輸線短,分布電容Cs減小,提高了信噪比)
2.減少外界干擾的相對影響(信號經前放初步放大.)
3.合理布局,便于調節與使用(前放為非調節式,主放放大調節倍數、成形常數)
4.實現阻抗轉換和匹配(前放設計為高輸入阻抗,低輸出阻抗)
前置放大器功能有兩個:一是要選擇所需要的音源信號,并放大到額定電平;二是要進行各種音質控制,以美化聲音。
音源選擇電路的作用是選擇所需的音源信號送入后級,同時關閉其他音源通道。
輸入放大器的作用是將音源信號放大到額定電平,通常是1V左右。
音質控制的作用是使音響系統的頻率特性可以控制,以達到高保真的音質;或者根據聆聽者的愛好,修飾與美化聲音。
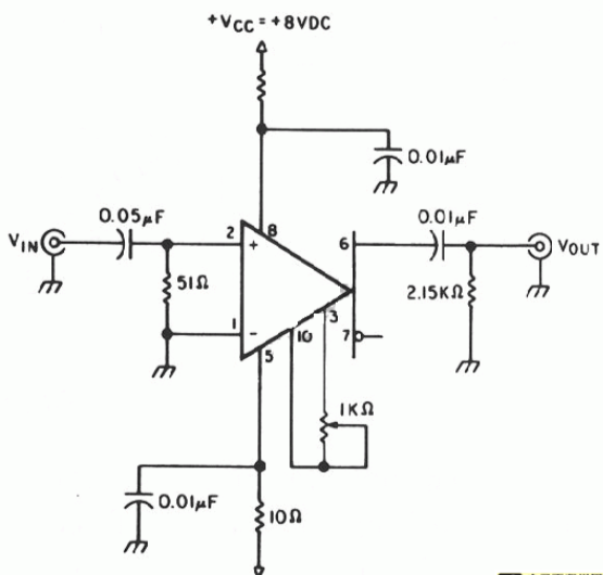
2.前置放大電路圖

3.前置放大電路原理
前置放大器是指進入音頻(AUX、MIC)信號放大至功率放大器所能接受的輸入范圍。前置放大器功能有兩個:一是要選擇所需要的音源信號,并放大到額定電平;二是要進行各種音質控制,以美化聲音。前置放大器的基本組成有:音源選擇、輸入放大和音質控制等電路。
前置放大電路的主要目的是,在那些涉及到低級別聲學信號的應用中,改善接收器的信噪比。通過提供補充的低噪聲放大,前置放大器在主檢測設備,使用低增益從而限制時基噪聲。前置放大器容許檢測小的回波,而這些回波在主檢測設備中即使使用最大的增益也可能無法檢測出來。此外,在前置放大器中的RF帶通濾波有助于限制高頻噪聲。
音源選擇電路的作用是選擇所需的音源信號送入后級,同時關閉其他音源通道。輸入放大器的作用是將音源信號放大到額定電平,通常是1V左右。音質控制的作用是使音響系統的頻率特性可以控制,以達到高保真的音質;或者根據聆聽者的愛好,修飾與美化聲音。
半導體探測器 D 經過負載電阻由高壓電源供電。C為隔直流電容。Rf 用來釋放Cf 上積累的信號電荷,并提供直流負反饋以穩定電路的直流工作點。Ra 表示T2 管的等效動態負載電阻(主要決定于虛線框內恒流源的內阻和T2 管集電極輸出電阻)
烜芯微專業制造二極管,三極管,MOS管,橋堆等20年,工廠直銷省20%,4000家電路電器生產企業選用,專業的工程師幫您穩定好每一批產品,如果您有遇到什么需要幫助解決的,可以點擊右邊的工程師,或者點擊銷售經理給您精準的報價以及產品介紹
烜芯微專業制造二極管,三極管,MOS管,橋堆等20年,工廠直銷省20%,4000家電路電器生產企業選用,專業的工程師幫您穩定好每一批產品,如果您有遇到什么需要幫助解決的,可以點擊右邊的工程師,或者點擊銷售經理給您精準的報價以及產品介紹

