摘要:在一些特殊的應用場合,常規AC-DC開關電源的掉電保持時間無法滿足要求,而超長掉電保持時間的開關電源在市場上十分少見。為滿足這些特殊應用場合的需求,本文從理論上分析了決定掉電保持時間的因素,并提出了一種簡單的通過外圍電路來增加掉電保持時間的方法。
0 引言
ACDC開關電源有一項重要的技術參數——掉電保持時間,指從AC掉電到輸出電壓下降到精度范圍(通常是-2%)之外的時間差⊿t,如圖1所示。通俗地講,就是開關電源在沒有輸入后,輸出還能撐多久。
很多情況下,系統在檢測到AC掉電后,需要對數據進行保存、傳輸,對執行器的狀態進行設置等等。因此,在AC掉電后,開關電源還需要能持續給系統提供電源一段時間,以保證系統可靠關閉。另外,在有UPS的系統中,從市電切換到UPS供電的過程中,也需要開關電源能維持正常輸出。

圖1 掉電保持時間示意圖
1 掉電保持時間的決定因素
常規ACDC開關電源原理框圖如圖2所示,AC輸入經過整流濾波后,變成一個直流電壓(有一定的紋波電壓),再通過DCDC變換器轉換成我們所需要的電壓輸出。控制電路可根據輸入電壓和輸出負載來調整占空比(PWM模式)以實現穩定的電壓輸出。在AC輸入掉電后,由輸入濾波電容存儲的能量給輸出供電,在這個過程中,濾波電容電壓逐漸下降,控制電路通過調整占空比依然可以實現額定的輸出電壓,直到電容電壓下降到控制電路能調整的范圍之外時,輸出電壓開始下降。


圖2 ACDC開關電源原理框圖
我們通過舉例來說明決定掉電保持時間的因素。假設一款Vo=5V、Po=20W、效率為η=0.78的產品,DC-DC部分可正常工作的最低電壓Vin_min=100V,電源內部輸入濾波電容Cin=47uF。假設標稱220Vac輸入整流濾波后的電壓為直流電壓(實際有一定紋波),其值Vin_nor=308V,根據能量守恒有下式:
0.5*Cin*(Vin_mor2-Vin_min2)=⊿t*Po/η……(1)
代入數值可得:⊿t=77.9ms。
從上式可以看到,⊿t與輸入電容、AC輸入電壓、產品效率成正比,而與輸出功率、DC-DC部分最低工作電壓成反比。
在實際的工程環境中,輸入電壓是固定的。對某一款具體的AC-DC電源產品來說,內部輸入濾波電容Cin、DC-DC部分最低工作電壓Vin_min、效率η都已無法改變,所以,電源本身的掉電保持時間無法改變。通過外圍調整,也無法改變產品的Vin_min和η,唯一能調整的是在電源前端再接一級整流濾波,外接的濾波電容與電源內部的輸入濾波電容是并聯關系,等效增加了Cin,增加了掉電保持時間。
如果電源前端加的濾波電容取100uF/400V,則掉電保持時間在之前的基礎上增加165.7ms。如果電源工作在半載條件,則掉電保持時間可以再增加一倍,如表1所示。
表1 掉電保持時間與輸入電容、負載關系表


2 輸出電容對掉電保持時間的影響
在上述條件下,我們再計算一下通過增加輸出電容Co來延長掉電保持時間的效果。假設:輸出電壓精度是±2%,則輸出電壓下限Vo1=4.9V、Co=40000uF,則有:
0.5*Co*(Vo2-Vo12)=⊿t1*Po……(2)
代入數值可得:⊿t1=1ms。
我們發現,輸出40000uF的電容延長掉電保持時間僅有1ms!由此可見增加輸出電容對掉電保持時間的影響微乎其微。
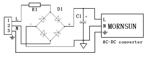
3 推薦外圍電路
如圖3所示,外圍電路的輸入端接市電,輸出可等效為直流電源,接在ACDC開關電源的L、N上。C1要根據實際負載、輸入電壓以及所需要的保持時間來確定,沒有明確的推薦值。由于增加了C1,開機沖擊電流會增大,R1可以用來減小該沖擊電流,可以選擇3W的繞線電阻,阻值大致在2~7.5歐姆之間。對于D1,可以選1000V、電流在1.5A及以上的整流橋,另外整流橋能承受的沖擊電流(規格書中有說明)應大于實際電路中的沖擊電流。


圖3 外圍推薦電路
4 試驗結果與分析
為驗證理論分析和計算的正確性,選取MORNSUN的LH25-10B05來進行測試。在輸入電壓220Vac,負載4A的條件下,LH25-10B05的掉電保持時間為76.8ms,波形如圖5所示;按推薦電路外接100uF/400V輸入濾波電容后,電源的掉電保持時間增加到249ms,波形如圖6所示。試驗結果與理論計算結果吻合。

5 結語
本文理論分析了開關電源掉電過程,推導出了掉電保持時間的計算公式;根據公式找到了通過外接電路來增加掉電保持時間的途徑。通過實際測試,驗證了理論計算的正確性。該方法實施簡單,對增加掉電保持時間效果顯著,具有很強的工程指導意義。
烜芯微專業制造二極管,三極管,MOS管,橋堆等20年,工廠直銷省20%,4000家電路電器生產企業選用,專業的工程師幫您穩定好每一批產品,如果您有遇到什么需要幫助解決的,可以點擊右邊的工程師,或者點擊銷售經理給您精準的報價以及產品介紹
烜芯微專業制造二極管,三極管,MOS管,橋堆等20年,工廠直銷省20%,4000家電路電器生產企業選用,專業的工程師幫您穩定好每一批產品,如果您有遇到什么需要幫助解決的,可以點擊右邊的工程師,或者點擊銷售經理給您精準的報價以及產品介紹

