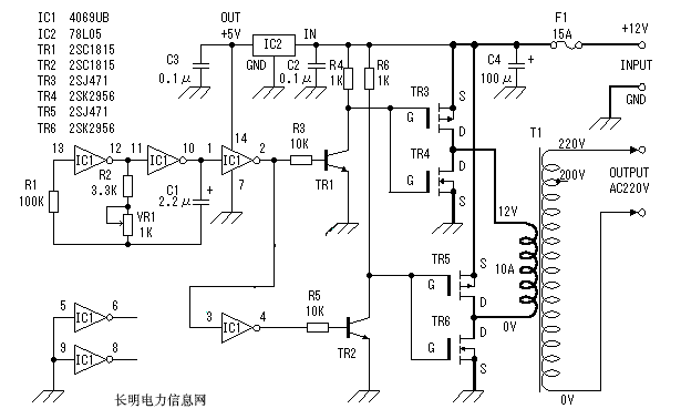
簡介:今天我們來介紹一款逆變器(見圖1)主要由MOS場效應管,普通電源變壓器構成。其輸出功率取決于MOS場效應管和電源變壓器的功率,免除了煩瑣的變壓器繞制,適合電子愛好者業余制作中采用。下面介紹該變壓器的工作原理及制作過程。


電路圖(1)
工作原理:
這里我們將詳細介紹這個逆變器的工作原理。
一、方波的產生
這里采用CD4069構成方波信號發生器。電路中R1是補償電阻,用于改善由于電源電壓的變化而引起的震蕩頻率不穩。電路的震蕩是通過電容C1充放電完成的。其振蕩頻率為f=1/2.2RC。圖示電路的最大頻率為:fmax=1/2.2x103x2.2x10—6=62.6Hz,最小頻率為fmin=1/2.2x4.3x103x2.2x10—6=48.0Hz。由于元件的誤差,實際值會略有差異。其它多余的發相器,輸入端接地避免影響其它電路。


圖2
二、 場效應管驅動電路。
由于方波信號發生器輸出的振蕩信號電壓最大振幅為0~5V,為充分驅動電源開關電路,這里用TR1、TR2將振蕩信號電壓放大至0~12V。如圖3所示。


圖3
三、 場效應管電源開關電路。
場效應管是該裝置的核心,在介紹該部分工作原理之前,先簡單解釋一下MOS場效應管的工作原理。
MOS場效應管也被稱為MOS FET,即Metal Oxide Semiconductor Field Effect Transistor(金屬氧化物半導體場效應管)的縮寫。它一般有耗盡型和增強型兩種。本文使用的是增強型MOS場效應管,其內部結構見圖4。它可分為NPN型和PNP型。NPN型通常稱為N溝道型,PNP型通常稱P溝道型。由圖可看出,對于N溝道型的場效應管其源極和漏極接在N型半導體上,同樣對于P溝道的場效應管其源極和漏極則接在P型半導體上。我們知道一般三極管是由輸入的電流控制輸出的電流。但對于場效應管,其輸出電流是由輸入的電壓(或稱場電壓)控制,可以認為輸入電流極小或沒有輸入電流,這使得該器件有很高的輸入阻抗,同時這也是我們稱之為場效應管的原因。


圖4
為解釋MOS場效應管的工作原理,我們先了解一下僅含一個P—N結的二極管的工作過程。如圖5所示,我們知道在二極管加上正向電壓(P端接正極,N端接負極)時,二極管導通,其PN結有電流通過。這是因在P型半導體端為正電壓時,N型半導體內的負電子被吸引而涌向加有正電壓的P型半導體端,而P型半導體端內的正電子則朝N型半導體端運動,從而形成導通電流。同理,當二極管加上反向電壓(P端接負極,N端接正極時,這時在P型半導體端為負電壓,正電子被聚集在P型半導體端,負電子則聚集在N型半導體端,電子不移動,其PN結沒有電流流過,二極管截止。


圖 5
對于場效應管(圖6),在柵極沒有電壓時,有前面的分析可知,在源極與漏極之間不會有電流流過,此時場效應管處于截止狀態(圖6a)。當有一個正電壓加在N溝道的MOS場效應管柵極上時,由于電場的作用,此時N型半導體的源極和漏極的負電子被吸引出來而涌向柵極,但由于氧化膜的阻擋,使得電子聚集在兩個N溝道之間的P型半導體中(見圖6b),從而形成電流,使源極和漏極之間導通。我們也可以想象為兩個N型半導體之間為一條溝,柵極電壓的建立相當于為他們之間搭了一座橋梁,該橋梁的大小由柵壓決定。圖8給出了P溝道場效應管的工作過程,其工作原理類似這里就不再重復。


圖 6
下面簡述一下用C—MOS場效應管(增強型MOS場效應管)組成的應用電路的工作過程(見圖8)。電路將一個增強型P溝道MOS場校官和一個增強型N溝道MOS場效應管組合在一起使用。當輸入端為底電平時,P溝道MOS場效應管導通,輸出端與電源正極接通。當輸入端為高電平時,N溝道MOS場效應管導通,輸出端與電源地接通。在該電路中,P溝道MOS場效應管和N溝道場效應管總是在相反的狀態下工作,其相位輸入端和輸出端相反。通過這種工作方式我們可以獲得較大的電流輸出。同時由于漏電流的影響,使得柵壓在還沒有到0V,通常在柵極電壓小于1V到2V時,MOS場效應管即被關斷。不同場效應管關斷電壓略有不同。也以為如此,使得該電路不會因為兩管同時導通而造成電源短路。


圖 8


圖 9
以上分析我們可以畫出原理圖中MOS場效應管部分的工作過程(見圖9)。工作原理同前所述,這種低電壓、大電流、頻率為50Hz的交變信號通過變壓器的低壓繞組時,會在變壓器的高壓側感應出高壓交流電壓,完成直流到交流的轉換。這里需要注意的是,在某些情況下,如振蕩部分停止工作時,變壓器的低壓側有時會有很大的電流通過,所以該電路的保險絲不能省略或短接。
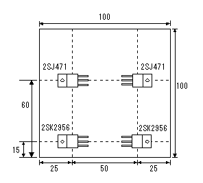
電路板見圖11。所用元件可參考圖12。逆變器的變壓器采用次級為12V、電流為10A、初級電壓為220V的成品電源變壓器。P溝道MOS場效應管(2SJ471)最大漏極電流為30A,在場效應管導通時,漏—源極間電阻為25毫歐。此時如果通過10A電流時會有2.5W的功率消耗。N溝道MOS場效應管(2SK2956)最大漏極電流為50A,場效應管導通時,漏—源極間電阻為7毫歐,此時如果通過10A電流時消耗的功率為0.7W。由此我們也可知在同樣的工作電流情況下,2SJ471的發熱量約為2SK2956的4倍。所以在考慮散熱器時應注意這點。圖13展示本文介紹的逆變器場效應管在散熱器(100mm×100mm×17mm)上的位置分布和接法。盡管場效應管工作于開關狀態時發熱量不會很大,出于安全考慮這里選用的散熱器稍偏大。


圖11


圖12


圖 13


圖14
四、逆變器的性能測試
測試電路見圖15。這里測試用的輸入電源采用內阻低、放電電流大(一般大于100A)的12V汽車電瓶,可為電路提供充足的輸入功率。測試用負載為普通的電燈泡。測試的方法是通過改變負載大小,并測量此時的輸入電流、電壓以及輸出電壓。其測試結果見電壓、電流曲線關系圖(圖15a)。可以看出,輸出電壓隨負荷的增大而下降,燈泡的消耗功率隨電壓變化而改變。我們也可以通過計算找出輸出電壓和功率的關系。但實際上由于電燈泡的電阻會隨受加在兩端電壓變化而改變,并且輸出電壓、電流也不是正弦波,所以這種的計算只能看作是估算。以負載為60W的電燈泡為例:


圖 15


圖 16、17
假設燈泡的電阻不隨電壓變化而改變。因為R燈=V2/W=2102/60=735Ω,所以在電壓為208V時,W=V2/R=2082/735=58.9W。由此可折算出電壓和功率的關系。通過測試,我們發現當輸出功率約為100W時,輸入電流為10A。此時輸出電壓為200V。逆變器電源效率特性見圖15b。圖16為逆變器連續100W負載時,場效應管的溫升曲線圖。圖17為不同負載時輸出波形圖,供大家制作是參考。
烜芯微專業制造二極管,三極管,MOS管,橋堆等20年,工廠直銷省20%,4000家電路電器生產企業選用,專業的工程師幫您穩定好每一批產品,如果您有遇到什么需要幫助解決的,可以點擊右邊的工程師,或者點擊銷售經理給您精準的報價以及產品介紹
烜芯微專業制造二極管,三極管,MOS管,橋堆等20年,工廠直銷省20%,4000家電路電器生產企業選用,專業的工程師幫您穩定好每一批產品,如果您有遇到什么需要幫助解決的,可以點擊右邊的工程師,或者點擊銷售經理給您精準的報價以及產品介紹

