半橋
半橋諧振LLC+CoolMOS開關管?電路結構,半橋結構如圖所示,它是兩個功率開關器件(如 MOS 管)以圖騰柱的形式相連接,以中間點作為輸出,提供方波信號。這種結構在 PWM 電機控制、DC-AC逆變、電子鎮流器等場合有著廣泛的應用。半橋結構如圖所示,它是兩個功率開關器件(如 MOS 管)以圖騰柱的形式相連接,以中間點作為輸出,提供方波信號。
這種結構在 PWM 電機控制、DC-AC逆變、電子鎮流器等場合有著廣泛的應用。上下兩個管子由反相的信號控制,當一個功率管開時,另一個關斷,這樣在輸出點 OUT 就得到電壓從 0 到 VHV的脈沖信號。由于開關延時的存在,當其中的一個管子柵極信號變為低時,它并不會立刻關斷,因此一個管子必須在另一個管子關斷后一定時間方可開啟,以防止同時開啟造成的電流穿通,這個時間稱為死區時間,如圖中Td所示。
下圖為半橋電路結構及高低側驅動信號,半橋電路相較全橋電路具有成本低、控制相對容易的優勢,但是由于半橋電路的變壓器輸入電壓僅為約正負(1/2)Vin,相較全橋電路當輸入電壓輸出電壓相同時,傳遞相同的功率半橋電路原邊開關管承受的電流應力要比全橋電路大得多(約為兩倍),半橋電路一般應用于中小功率(1KW以下)場合。

LLC與CoolMOS概述
近來,LLC拓撲以其高效,高功率密度受到廣大電源設計工程師的青睞,但是這種軟開關拓撲對MOSFET 的要求卻超過了以往任何一種硬開關拓撲。特別是在電源啟機,動態負載,過載,短路等情況下。CoolMOS 以其快恢復體二極管 ,低Qg 和Coss能夠完全滿足這些需求并大大提升電源系統的可靠性。
長期以來, 提升電源系統功率密度,效率以及系統的可靠性一直是研發人員面臨的重大課題。提升電源的開關頻率是其中的方法之一, 但是頻率的提升會影響到功率器件的開關損耗,使得提升頻率對硬開關拓撲來說效果并不十分明顯,硬開關拓撲已經達到了它的設計瓶頸。
而此時,軟開關拓撲,如LLC拓撲以其獨具的特點受到廣大設計工程師的追捧。但是這種拓撲卻對功率器件提出了新的要求。
LLC 電路的特點
LLC 拓撲的以下特點使其廣泛的應用于各種開關電源之中:
1. LLC 轉換器可以在寬負載范圍內實現零電壓開關。
2. 能夠在輸入電壓和負載大范圍變化的情況下調節輸出,同時開關頻率變化相對很小。
3. 采用頻率控制,上下管的占空比都為50%.
4. 減小次級同步整流MOSFET的電壓應力 ,可以采用更低的電壓MOSFET從而減少成本。
5. 無需輸出電感 ,可以進一步降低系統成本。
6. 采用更低電壓的同步整流MOSFET, 可以進一步提升效率。
LLC 電路的基本結構以及工作原理
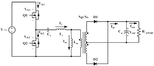
圖1和圖2分別給出了LLC諧振變換器的典型線路和工作波形。如圖1所示LLC轉換器包括兩個功率MOSFET(Q1和Q2),其占空比都為0.5;諧振電容 Cr,副邊匝數相等的中心抽頭變壓器Tr,等效電感Lr,勵磁電感Lm,全波整流二極管D1和D2以及輸出電容Co。

圖1 LLC諧振變換器的典型線路

圖2 LLC諧振變換器的工作波形
而LLC有兩個諧振頻率,Cr, Lr 決定諧振頻率fr1; 而Lm, Lr, Cr決定諧振頻率fr2。
系統的負載變化時會造成系統工作頻率的變化,當負載增加時, MOSFET開關頻率減小, 當負載減小時,開關頻率增大。

1、LLC諧振變換器的工作時序
LLC變換器的穩態工作原理如下。
1)〔t1,t2〕
Q1關斷,Q2開通,電感Lr和Cr進行諧振,次級D1關斷,D2開通,二極管D1約為兩倍輸出電壓,此時能量從Cr, Lr轉換至次級。直到Q2關斷。
2)〔t2,t3〕
Q1和Q2同時關斷,此時處于死區時間, 此時電感Lr, Lm電流 給Q2的輸出電容充電,給Q1的輸出電容放電直到Q2輸出電容的電壓等于Vin.
次級D1和D2關斷 Vd1=Vd2=0, 當Q1開通時該相位結束。
3)〔t3,t4〕
Q1導通,Q2關斷。D1導通, D2關斷, 此時Vd2=2Vout
Cr和Lr諧振在fr1, 此時Ls的電流通過Q1返回到Vin,直到Lr的電流為零次相位結束。
4)〔t4,t5〕
Q1導通, Q2關斷, D1導通, D2關斷,Vd2=2Vout
Cr和Lr諧振在fr1, Lr的電流反向通過Q1流回功率地。能量從輸入轉換到次級,直到Q1關斷該相位結束
5)〔t5,t6)
Q1,Q2同時關斷, D1,D2關斷, 原邊電流I(Lr+Lm)給Q1的Coss充電, 給Coss2放電, 直到Q2的Coss電壓為零。此時Q2二極管開始導通。Q2開通時相位結束。
6)〔t6,t7〕
Q1關斷,Q2導通,D1關斷, D2 開通,Cr和Ls諧振在頻率fr1, Lr 電流經Q2回到地。當Lr電流為零時相位結束。
2、LLC諧振轉換器異常狀態分析
以上描述都是LLC工作在諧振模式, 接下來我們分析LLC轉換器在啟機, 短路, 動態負載下的工作情況。
A、啟機狀態分析
通過LLC仿真我們得到如圖3所示的波形,在啟機第一個開關周期,上下管會同時出現一個短暫的峰值電流Ids1和Ids2。由于MOSFET Q1開通時會給下管Q2的輸出電容Coss充電,當Vds為高電平時充電結束。而峰值電流Ids1和Ids2也正是由于Vin通過MOSFET Q1給Q2結電容Coss的充電而產生。

圖3 LLC 仿真波形
我們將焦點放在第二個開關周期時如圖4,我們發現此時也會出現跟第一個開關周期類似的尖峰電流,而且峰值會更高,同時MOSFET Q2 Vds也出現一個很高的dv/dt峰值電壓。那么這個峰值電流的是否仍然是Coss引起的呢?我們來做進一步的研究。

圖4 第二個開關周期波形圖
對MOSFET結構有一定了解的工程師都知道,MOSFET不同于IGBT,在MOSFET內部其實寄生有一個體二極管,跟普通二極管一樣在截止過程中都需要中和載流子才能反向恢復, 而只有二極管兩端加上反向電壓才能夠使這個反向恢復快速完成,而反向恢復所需的能量跟二極管的電荷量Qrr相關,而體二極管的反向恢復同樣需要在體二極管兩端加上一個反向電壓。
在啟機時加在二極管兩端的電壓Vd=Id2 x Ron. 而Id2在啟機時幾乎為零,而二極管在Vd較低時需要很長的時間來進行反向恢復。如果死區時間設置不夠,如圖5所示高的dv/dt會直接觸發MOSFET內的BJT從而擊穿 MOSFET。

圖5 高的dv/dt會直接觸發MOSFET內的BJT從而擊穿 MOSFET
通過實際的測試 ,我們可以重復到類似的波形,第二個開關周期產生遠比第一個開關周期高的峰值電流,同時當MOSFET在啟機的時dv/dt高118.4V/ns. 而Vds電壓更是超出了600V的最大值。MOSFET在啟機時存在風險。

圖6 實際測試的波形
B、異常狀態分析
下面我們繼續分析在負載劇烈變化時,對LLC拓撲來說存在那些潛在的風險。
在負載劇烈變化時,如短路,動態負載等狀態時,LLC電路的關鍵器件MOSFET同樣也面臨著挑戰。
通常負載變化時LLC 都會經歷以下3個狀態。我們稱之為硬關斷, 而右圖中我們可以比較在這3個時序當中,傳統MOSFET和CoolMOS內部載流子變化的不同, 以及對MOSFET帶來的風險。

時序1, Q2零電壓開通,反向電流經過MOSFET和體二極管, 此時次級二極管D2開通,D1關段。
傳統MOSFET此時電子電流經溝道區,從而減少空穴數量。
CoolMOS此時同傳統MOSFET一樣電子電流經溝道,穴減少,不同的是此時CoolMOS 的P井結構開始建立。

時序2, Q1和Q2同時關斷,反向電流經過MOSFETQ2體二極管。
Q1和Q2關斷時對于傳統MOSFET和CoolMOS來說內部電子和空穴路徑和流向并沒有太大的區別。

時序3, Q1此時開始導通,由于負載的變化,此時MOSFET Q2的體二極管需要很長的時間來反向恢復。當二極管反向恢復沒有完成時MOSFET Q2出現硬關斷,此時Q1開通,加在Q2體二極管上的電壓會在二極管形成一個大電流從而觸發MOSFET內部的BJT造成雪崩。
-傳統MOSFET此時載流子抽出,此時電子聚集在PN節周圍, 空穴電流擁堵在PN節邊緣。
-CoolMOS的電子電流和空穴電流各行其道, 此時空穴電流在已建立好的P井結構中流動,并無電子擁堵現象。
綜上, 當LLC電路出現過載,短路,動態負載等條件下,一旦二極管在死區時間不能及時反向恢復, 產生的巨大的復合電流會觸發MOSFET內部的BJT使MOSFET失效。有的 CoolMOS采用Super Juction結構,這種結構在MOSFET硬關斷的狀態下,載流子會沿垂直構建的P井中復合, 基本上沒有側向電流, 大大減少觸發BJT的機會。
如何更容易實現ZVS
通過以上的分析,可以看到增加MOSFET的死區時間,可以提供足夠的二極管反向恢復時間同時降低高dv/dt, di/dt 對LLC電路造成的風險。但是增加死區時間是唯一的選擇么?下面我們進一步分析如何夠降低風險提升系統效率。

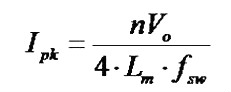
對于LLC 電路來說死區時間的初始電流為

而LLC能夠實現ZVS必須滿足

而最小勵磁電感為

根據以上3個等式,我們可以通過以下三種方式讓LLC實現ZVS。
第一, 增加Ipk。
第二, 增加死區時間。
第三, 減小等效電容Ceq即Coss。
從以上幾種狀況,我們不難分析出。增加Ipk會增加電感尺寸以及成本,增加死區時間會降低正常工作時的電壓,而最好的選擇無疑是減小Coss,因為減小無須對電路做任何調整,只需要換上一個Coss相對較小MOSFET即可。
總結
LLC 拓撲廣泛的應用于各種開關電源當中,而這種拓撲在提升效率的同時也對MOSFET提出了新的要求。不同于硬開關拓撲,軟開關LLC諧振拓撲不僅僅對MOSFET的導通電阻(導通損耗)、Qg(開關損耗)有要求,同時對于如何能夠有效的實現軟開關,如何降低失效率,提升系統可靠性,降低系統的成本有更高的要求。CoolMOS,具有快速的體二極管,低Coss,有的可高達650V的擊穿電壓,使LLC拓撲開關電源具有更高的效率和可靠性。
烜芯微專業制造二極管,三極管,MOS管,20年,工廠直銷省20%,1500家電路電器生產企業選用,專業的工程師幫您穩定好每一批產品,如果您有遇到什么需要幫助解決的,可以點擊右邊的工程師,或者點擊銷售經理給您精準的報價以及產品介紹
烜芯微專業制造二極管,三極管,MOS管,20年,工廠直銷省20%,1500家電路電器生產企業選用,專業的工程師幫您穩定好每一批產品,如果您有遇到什么需要幫助解決的,可以點擊右邊的工程師,或者點擊銷售經理給您精準的報價以及產品介紹

