一、18~36W內置MOS雙繞組LED驅動芯片方案
1.方案特點
集成高壓啟動模塊,燈具即開即亮,無啟動電阻長期使用老化開路問題
內置高壓智能MOS(690V2.5Ω),采用DIP7封裝,高低壓管腳距離充足,避免打火炸機
QR控制模式,降低開關損耗
100kHz工作頻率,縮小變壓器體積
過溫調節功能(OTC),抗干擾力強,多系統不閃燈,灌膠后輸出電流不變,恒流精度3%以內
全面智能保護:輸出開/短路保護、過壓/欠壓/過流保護、CS電阻開路保護等
2.方案簡介
雙面板工藝,單面元器件,尺寸:49.2mm*20.2mm
輸入電壓:176~264Vac電壓范圍
輸出功率:24W
輸出效率:≥90%
3.LED方案原理圖


二、LED基本分類與應用
按輸出功率分類:
0.4W、1.28W、1.4W、3W、4.2W、5W、8W、10.5W、12W、15W、18W、 20W、23W、25W、30W、45W、60W、100W、120W、150W、200W、300W 等。
按輸出電壓分類:
DC4V、6V、9V、12V、18V、24V、36V、42V、48V、54V、63V、81V、105V、135V等。
按外形結構分類:
PCBA裸板和有外殼的兩種。
按安全結構分類:
隔離和非隔離的兩種。
按功率因數分類:
帶功率因數校正和不帶功率因數。
按防水性能分類:
防水和不防水兩種。
按激勵方式分類:
自激式和它激式。
按電路拓撲分類:
RCC、Flyback、Forward、Half-Bridge、Full-Bridge、Push-PLL 、LLC等。
按轉換方式分類:
AC-DC與DC-DC兩種。
按輸出性能分類:
恒流、恒壓與既恒流又恒壓三種。
三、LED驅動電源的重要性
接觸過LED的人都知道:由于LED正向伏安特性非常陡 圖1.1(正向動態電阻非常小),要給LED正常供電就比較困難。不能像普通白熾燈一樣,直接用電壓源供電,否則電壓波動稍增,電流就會增大到將LED燒毀的程度。為了穩定LED的工作電流,保證LED能正常可靠地工作,具有”鎮流功能”的各種各樣的LED驅動電路就應運而生。最簡單的是串聯一只鎮流電阻,而比較復雜的是用許多電子元件構成的“恒流驅動器”。


四、LED驅動的技術方案
1)鎮流電阻方案
此方案的原理電路圖見圖1。這是一種極其簡單,自LED面世以來至今還一直在用的經典電路。
LED工作電流I按下式計算:


I與鎮流電阻R成反比;當電源電壓U上升時,R能限制I的過量增長,使I不超出LED的允許范圍。
此電路的優點是簡單,成本低;缺點是電流穩定度不高;電阻發熱消耗功率,導致用電效率低,僅適用于小功率LED范圍。
一般資料提供的鎮流電阻R的計算公式是:


按此公式計算出的R值僅滿足了一個條件:工作電流I 。而對驅動電路另兩個重要的性能指標:電流穩定度和用電效率,則全然沒有顧及。因此用它設計出的電路,性能沒有保證。


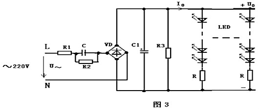
2)鎮流電容方案
電路的工作是基于在交流電路中,電容存在容抗XC也有”鎮流作用”的原理。另外電容消耗無功功率,不發熱;而電阻則消耗有功功率,會轉化為熱能耗散掉,所以鎮流電容比鎮流電阻,能節省一部分電能,并能設計成將LED燈直接接到市電~220V上,使用更為方便。
此方案的優點是簡單,成本低,供電方便;缺點是電流穩定度不高,效率也不高。僅適用于小功率LED范圍。當LED的數量較多,串聯后LED支路電壓較高的場合更為適用。


3)線性恒流驅動電路
上面已經提到電阻、電容鎮流電路的缺點是電流穩定度低(△I/I達±20~50%),用電效率也低(約50~70%),僅適用于小功率LED燈。
為滿足中、大功率LED燈的供電需要,利用電子技術常見的電流負反饋原理,設計出恒流驅動電路。和直流恒壓電源一樣,按其調整管是工作在線性,還是開關狀態,恒流驅動電路也分成兩類:線性恒流驅動電路和開關恒流驅動電路。
圖4是最簡單的兩端線性恒流驅動電路。它借用三端集成穩壓器LM337組成恒流電路,外圍僅用兩個元件:電流取樣電阻R和抗干擾消振電容C
4)開關電源驅動電路
上述線性恒流驅動電路雖具有電路簡單、元件少、成本低、恒流精度高、工作可靠等優點,但使用中也發現幾點不足:
a、調整管工作在線性狀態,工作時功耗高發熱大(特別是工作壓差過大時),不僅要求較大尺寸的散熱器,而且降低了用電效率。
b、電源電壓要求按公式(13)與LED工作電壓嚴格匹配,不允許大范圍改變。也就是說它對電源電壓及LED負載變化的適應性差。
c、它僅能工作在降壓狀態,不能工作在升壓狀態。即電源電壓必須高于LED工作電壓。
d、供電不太方便,一般要配開關穩壓電源,不能直接用~220V供電。
輸入整流:將正負變化的交流電變成單向變化的直流電
濾波:將變化的電壓波形平滑成波動較小的直流電壓波形
變壓器:儲存能量,產生需要的輸出電壓.原、副邊隔離。
輸出穩壓:穩定輸出電壓
取樣反饋:將輸出電壓的變化反映到控制電路,以便采取相應的措施保證輸出電壓在規定的范圍內
PWM+開關:控制電路,根據反饋回來的信號控制變壓器儲存能量的多少,從而保證輸出的穩定
采用開關電源驅動的優點:效率高,一般可以做到80%~90%,輸出電壓、電流穩定。輸出紋波小。且這種電路都有完善的保護措施,屬高可靠性電源。
五、LED驅動電源主要有恒壓式和恒流式
(1)恒壓式
a、當穩壓電路中的各項參數確定以后,輸出的電壓是固定的,而輸出的電流卻隨著負載的增減而變化;
b、恒壓電路不怕負載開路,但嚴禁負載完全短路。
c、 以穩壓驅動電路驅動LED,每串需要加上合適的電阻方可使每串LED顯示亮度平均;
d、 亮度會受整流而來的電壓變化影響。
(2)恒流式
a、 恒流驅動電路輸出的電流是恒定的,而輸出的直流電壓卻隨著負載阻值的大小不同在一定范圍內變化,負載阻值小,輸出電壓就低,負載阻值越大,輸出電壓也就越高;
b、 恒流電路不怕負載短路,但嚴禁負載完全開路。
c、 恒流驅動電路驅動LED是較為理想的,但相對而言價格較高。
d、 應注意所使用最大承受電流及電壓值,它限制了LED的使用數量;
六、LED日光燈電源設計
非隔離型降壓式電源設計方法概論
非隔離降壓型電源是現在普遍使用的電源結構,幾乎占了日光燈電源百分之九十以上。很多人都以為非隔離電源只有降壓型一種,每每一說到不隔離,就想到降壓型,就想到說對燈不安全(指電源損壞)。其實降壓型不只是一種,還有兩種基本結構,即升壓,和升降壓,即BOOST AND BUCK-BOOST,后兩種電源即使損壞。不會影響到LED的好處。降壓式電源也有其好處,它適合用于220,但不適用于110,因為110V本來電壓就低,一降就更低了,那樣輸出的電流大,電壓低,效率做不太高。 降壓式220V交流,整流濾波后約三百伏,經過降壓電路,一般將電壓降到直流150V左右,這樣即可實現高壓小電流輸出,效率可以做得較高。一般用MOS 做開關管,做這種規格的電源,我的經驗是,可以做到百分之九十那樣差不多,再往上也困難。原因很簡單,芯片一般自損會有0.5W到1W,而日光燈管電源不過就是10W左右。所以不可能再往上走。現在電源效率這個東西很虛,很多人都是吹,實際根本達不到。
常見有些人說什么3W的電源效率做到百分之八十五了,而且還是隔離型的。告訴大家,即便是跳頻模式的,空載功耗最小,也要0.3W,還什么輸出3W低壓,能到百分之八十五,其實有百分之七十算很好了,反正現在很多人吹牛不打草稿,可以忽悠住外行,不過現在做LED的懂電源的也不多。
效率要高,首先就要做非隔離的,然后輸出規格還要高壓小電流,可以省去功率元件的導通損耗,所以象這種LED電源的主要損耗,一就是芯片自有損耗,這個損耗一般有零點幾W到一W的樣子,還有一個就是開關損耗了,用MOS做開關管可以顯著減小這個損耗,用三極管開關損耗就大很多。所以盡量不要用三極管。還有就是做小電源,最好不要太省,不要用RCC,因為RCC電路一般的廠家根本做不好質量,其實現在芯片也便宜,普通的開關電源芯片,集成MOS管的,最多不過兩元錢,沒必要省那么一點點,RCC只省點材料費,實際上加工返修等費用更高,到頭到反而得不償失的那樣。
降壓式電源的基本結構就是將電感和負載串入300V高壓中,開關管開關的時候,負載即實現了低于300V的電壓,具體的電路很多,網上也很多。現在9910,還有一般的市場上的恒流IC基本都是用這種電路來實現的。但這種電路就是開關管擊穿的時候,整個LED燈板就玩完,這應該算是最不好的地方了。因為當開關管擊穿的時候,整個300V的電壓就加在燈板上,本來燈板只能承受一百多伏電壓,現在成了三百伏了,這種情況一發生。LED肯定要燒掉。所以很多人說非隔離的不安全,其實就是說降壓的,只是因為一般非隔離的絕大多數是降壓的,所以認為非隔離的損壞一定要壞 LED。其實另外兩種基本的非隔離結構,電源損壞,不會影響LED的。
降壓式電源要設計成高壓小電流,效率才能高,細說一下,為什么?因為高壓小電流,可以讓開關管電流的脈寬大一些,這樣峰值電流就小一些,還有就是,對電感的損耗也小一些,通過電路結構就可以知道,電路不方便畫,具體也難以再敘述下去了。就隨便總結一下,降壓電源的好處是,適合于220高壓輸入使用,以使得功率器件承受的電壓應力小,適合做大電流輸出,比如做100MA電流,比后兩種方式來的輕松,效率要高。效率算比較高的,對電感的損耗較小,但對開關管損耗大一些,因為所有經過負載的功率必須要經過開關管傳輸,但輸出的功率,只有一部分經過電感,如300V輸入,120V輸出的降壓型電源,只有 180V的部分要經過電感,120V的部分是直接導通進入負載的,所以說對電感損耗比較小,但輸出的功率,全部要經過開關管轉化。
分解兩種恒流控制方式
下面要詳解的是,兩種恒流控制模式的開關電源,從而產生兩種做法。這兩種做法,無論是原理,還是器件應用,還是性能差別,相當都較大。
首先說原理。第一種以現在恒流型LED專用IC為代表,主要如9910系列,AMC7150,凡是現在打LED恒流驅動IC的牌子基本都是這種,且叫他恒流IC型的吧。但我認為這種所謂恒流IC做恒流,效果卻不怎么好。其控制原理相對來說較簡單,就是在電源工作的原邊回路,設定一個電流閥值,當原邊MOS導通,此時電感的電流是線性上升的,當上升到一定值的時候,達到這個閥值,就關斷電流,下一周期再由觸發電路觸發導通。其實此種恒流應該是一種限流,我們知道,當電感量不同的時候,原邊電流的形狀是不同的,雖然有相同的峰值,但電流平均值不同。因此,象這種電源一般就是批量生產時,恒流大小的一致性不太好控制。還有就是此種電源有一個特點,一般是輸出電流是梯形的,即波動式電流,輸出一般是不用電解平滑的,這也是一個問題,如果電流峰值過大,會對LED產生影響。如果電源的輸出級沒有并電解來平滑電流的那種電源,基本上都屬此類。即判斷是否是這種控制方式,就看其輸出有沒有并上電解濾波了。這種恒流我原來一直叫其為假恒流,因為其本質就是一種限流,并不是經過運放比較,而得到的恒流值。
第二種恒流方式,應該可以叫做開關電源式的。這種控制方式和開關電源的恒壓控制方式相似。大家都知道用TL431做恒壓吧,因為其內部有一個2.5伏的基準,然后用電阻分壓方式。當輸出電壓高一點的時候,或低一點的時候,就產生一個比較電壓,經過放大,去控制PWM信號,所以此種控制方式可以很精確的控制電壓。這種控制方式,需要一個基準,還需要一只運放,如果基準夠準,運放放大倍數夠大,那么就定的很準。同樣的,做恒流,就是需要一個恒流基準,一個運放,用電阻過流檢測,作為信號,然后用這個信號放大,去控制PWM,可惜現在就是不太好找到很準的基準信號,常用的有三極管,這個做基準溫漂大,還有就是可以拿二極管約1V的導通值做基準,這樣的也可以,可都不高,最好的是用運放加TL431當基準,但電路復雜。但這樣做的恒流電源,恒流精確度還是好控制的多。而這種模式控制的恒流,其輸出一定得加電解濾波,所以輸出電源是平滑直流,不是脈動的,脈動的話就沒法取樣了。所以要判定是哪種只要看其輸出是否有電解就行了。
兩種恒流控制模式決定了使用兩類不同的器件,一是從而決定了兩種電路器件使用不同,性能的不同,成本亦不同。以9910系列為代表的恒流型控制IC 做的LED電源,實際是限流,控制較簡單,嚴格的說起來,其不屬于開關電源控制的主流模式,開關電源控制的主流模式是一定要有基準和運放的。但這種IC出來就只能用于LED,很難用于其它的東西,只是因為LED對紋波要求極低。但因為是只用于LED,所以現在價格較高。基本就是使用9910加MOS管制作,輸出無電解,一般我看很多人就是用工字電感做功率轉換電感的。這種電源,一般廠家的芯片資料上有出圖,基本都是降壓式。
二是開關電源控制模式的恒流驅動器。這種,就是以普通的開關電源芯片為核心轉換器件,這種芯片很多,如PI的TNY系列,TOP系列,ST的VIPER12,VIPER22,仙童的 FSD200等,甚至只用三極管或是MOS管的RCC等,都可以做。好處是成本低,可靠性也不錯。因為普通的開關電源芯片不但價格好,而且都是經過大量使用的經典產品。象這種IC其實一般集成了MOS管,比9910外加MOS方便,但控制方式復雜一些,需要外加恒流控制器件,可以用三極管,或是運放。磁性元件可以用工字電感,亦可用帶氣隙的高頻變壓器。
關于此種電源的要求和電路結構的問題
對于看法是,因為電源要內置在燈里,而發熱是LED光衰最大的殺手,所以發熱一定要小,就是效率一定得高。當然得有高效率的電源。對于T8一米二長的那種燈,最好是不要用一支電源,而是用二支,兩端各一只,將熱量分散。從而不使熱量集中在一個地方。
電源的效率主要取決于電路的結構和所用的器件。先說電路結構,有些人還說要隔離電源,我想絕對是沒必要的,因為這種東西本來就是置于燈體內部,人根本摸不到。沒必要隔離,因為隔離電源的效率比不隔離效率要低,第二是,最好輸出要高電壓小電流,這樣的電源才能把效率做高。現在普遍用到的是,BUCK電路,即降壓式電路。最好是把輸出電壓做到一百伏以上,電流定在100MA上那樣,如驅動一百二十只,最好是三串,每串四十只,電壓就是一百三十伏,電流 60MA。
這種電源用的很多,本人只是認為有一點不好,如果開關管失控通咱,LED會玩完。現在LED這么貴。我比較看好升壓式電路,此種電路的好處,我反復的說過,一是效率較降壓式的高些,二是電源壞了,LED燈不會壞。這樣能確保萬無一失,如果燒壞一個電源,只是損失幾塊錢,燒一個LED日光燈,就會賠掉上百元的成本。所以我一直首推還是升壓式的電源。
還有就是,升壓式電路,很容易把PF值作高,降壓式的就麻煩一些。我絕對升壓式電路用于LED日光燈的好處還是有壓倒性的強于降壓式的。只是有一年缺點,就是在220V市電輸入情況下,負載范圍比較窄,一般只能適用于100至140個一串或兩串LED,對于少于此數的,或是夾在中間的,卻用起來不方便。不過現在做LED日光燈的,一般60CM長那種都是用100至140,一米二的那種,一般就是用二百到二百六那樣,使用起來還是可以的。所以現在LED日光燈一般使用的是不隔離降壓電路,還有不隔離升壓電路。
最后說一下,區別這兩種電源,一個最重要的方法,就是看其輸出是否有電解電容作濾波。
關于供電問題——不管是做限流型恒流控制的電源,還是運放控制的恒流電源,都要解決供電問題。即開關電源芯片工作 的時候是需要一個相對穩定的直流電壓為其芯片供電的,芯片的工作電流從一個MA到幾個MA不等。有一種象FSD200,NCP1012,和HV9910,此種芯片是高壓自饋電的,用起來是方便,但高壓饋電,造成IC熱量的上升,因為IC要承受約300V的直流電,只要稍有一點電流,就算一個MA,也有零點三瓦的損壞耗了。一般LED電源不過十瓦左右,損失零點幾瓦以下就可以將電源的效率拉下幾個點。還有就是典型象QX9910。,用電阻下拉取電,這樣,損耗就在電阻上,大約也得損失它零點幾瓦吧。還有就是磁耦合,就是用變壓器,在主功率線圈上加一個繞組,就象反激電源的輔助繞組一樣,這樣可以避免損掉這零點幾瓦的功率。這也是我為什么不隔離電源還要用變壓器的原因之一,就是為了避免損失那零點幾瓦的功率,將效率提幾個點。
對高PF LED日光燈電源,大電流的LED日光燈電源的看法
個人認為這些做法有很多時候實在是舍本逐末而已。現在先請問一下LED相對于傳統燈具的優勢在哪,第一,節能,第二長壽,然后是不怕開關,對吧。但是現在使用的高PF的方法,均是使用無源填谷PF電路,由原來的驅動方式,即48串,6并改為,24串12并,這樣的話,在220V情況下,效率會降下五個百分點左右,于是LED日光燈電源,發熱量更高了,燈珠也會受到一點影響。
還有一個問題,就是,24串12并的做法,會讓LED日光燈燈珠的布線變的很難受,不好布線了。我看,最好的方式還是48串一串方式好,主要是效率高,發熱小,而且布線容易,不復雜。
更有甚者,現在還有人提出什么24并,12串,這種方式只適合用于隔離電源,不隔離電源根本不適用。更有些不懂電源常識的人覺得自己非隔離電源做到恒流600MA輸出就好牛X了,其實他都沒有自己仔細的放在燈管里試過,象這種不熱爆了才怪。
所以說,現在搞什么低壓大電流做LED日光燈電源,實是舍本求末的做法。
關于外形
現在LED日光燈電源,做燈的廠家普遍要求放在燈管內,如放T8燈管內。很少一部分外置。不知道為什么都要這樣。其實內置電源又難做,性能也不好。但不知道為什么還有這么多人這樣要求。可能都是隨風倒吧。外置電源應該說是更科學,更方便才對。但我也不得不隨風倒,客戶要什么,我就做什么。但做內置電源,有相當難度哦。因為外置的電源,形狀基本沒有要求,想做多大做多大,想做成什么形狀也沒關系。內置電源,只能做成兩種,一種是用的最多的,就是說放在燈板下面,上面放燈板,下面是電源,這樣就要求電源做的很薄,不然裝不進。而且這樣只能把元件倒下,電源上的線路也只有加長。我認為這樣不是個好辦法。不過大家普遍喜歡這樣搞。我就搞。還有就是用的少一些,放兩端的,即放在燈管兩頭,這樣好做些,成本也低些。我也有做過,基本就是這兩種內置形狀了。
烜芯微專業制造二三極管,MOS管,20年,工廠直銷省20%,1500家電路電器生產企業選用,專業的工程師幫您穩定好每一批產品,如果您有遇到什么需要幫助解決的,可以點擊右邊的工程師,或者點擊銷售經理給您精準的報價以及產品介紹
烜芯微專業制造二三極管,MOS管,20年,工廠直銷省20%,1500家電路電器生產企業選用,專業的工程師幫您穩定好每一批產品,如果您有遇到什么需要幫助解決的,可以點擊右邊的工程師,或者點擊銷售經理給您精準的報價以及產品介紹

